

ELECTRICAL SPEC.
|
Detection System |
Absolute 絕對值型 |
|
Output Code 輸出碼值 |
Gray Code |
|
Standard Number of Pulse Per Revolution |
16 |
|
解析 |
|
|
|
|
|
Electronics 電路特性 |
NPN Voltage 電壓型, NPN Open Collector 電流型 |
|
Power Supply 供應電源 |
DC 5~12V or DC 10~26V for NPN Voltage, DC 5~26V for NPN Open Collector |
|
Current Consumption 消耗電流 |
≤ 70 mA |
|
Logic 邏輯 |
Negative Logic (H=0, L=1) 負理論輸出 |
|
Max. Response 最大嚮應頻率 |
10K Hz |
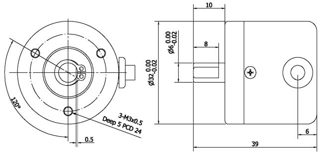
MECHANICAL SPEC.
|
Shaft Diameter 軸徑 |
6 mm |
|
Shaft Loading 軸荷重 |
Axial 軸向: 1 Kg, Radial 徑向: 2 Kg |
|
Max. Speed 最大機械容許速度 |
3,000 rpm |
|
Vibration Resistance |
Endurance 55 Hz double amplitude 1.5 mm / 2 hours in X, Y and Z directions |
|
Shock Resistance |
Endurance 500 m / S2 (50g) 3 times each in X, Y, Z direction |
|
Cable 電線 |
Ø4.5, 50 cm long, vinyl shielded |
|
Weight 重量 |
≤ 100g |
ENVIRONMENTAL SPEC.
Operating Temp. / Humidity 操作溫度/濕度 0°C ~ 60°C, RH 35% ~ 90% (No Condensation)
|
Storage Temp. 儲存溫度 |
-20°C ~ 80°C |
|
Protection 保護等級 |
IP50: Dust Proof |
ORDERING INFORMATION
|
A1 - |
Output Code |
- |
Pulse per Revolution |
- |
Electronics |
- |
Supply Voltage |
|
輸出信號 |
解析 |
電路特性 |
供應電源 |
||||
|
|
|
|
|
|
|
|
|
|
|
G: Gray Code |
|
16 P/R |
|
LV: NPN Voltage |
|
Blank: 5~12Vdc |
|
|
|
|
|
|
HV: NPN Voltage |
|
Blank: 10~26Vdc |
|
|
|
|
|
|
C: NPN Open-Collector |
|
Blank: 5~26Vdc |
ELECTRICAL CONNECTION
|
Wire Color |
16 PPR |
|
(cable output) |
|
|
|
|
|
Red |
+V |
|
Black |
0V |
|
Blue |
bit 1 (20) |
|
Green |
bit 2 (21) |
|
Yellow |
bit 3 (22) |
|
Violet |
bit 4 (23) |
|
Shield |
- |
